Прямые поставки недоступных в РФ брендов из Китая и Европы. Заявки оставляйте на почту info@cnc360.ru  
0
0

ПРЕОБРАЗОВАТЕЛИ УГЛОВЫХ ПЕРЕМЕЩЕНИЙ

ПРЕОБРАЗОВАТЕЛИ УГЛОВЫХ ПЕРЕМЕЩЕНИЙ

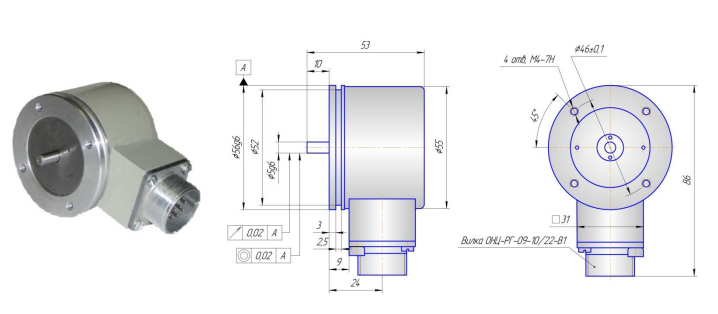
Преобразователи угловых перемещений фотоэлектрические инкрементальные моделей ВЕ178АБ.5В-TTL, ВЕ178АБ.15В-TTL предназначены для использования в системах автоматического регулирования станков.

9835
(2)

ТУ РБ 300207906.075-2003

Преобразователи угловых перемещений фотоэлектрические инкрементальные моделей ВЕ178АБ.5В-TTL, ВЕ178АБ.15В-TTL предназначены для использования в системах автоматического регулирования станков и для информационной связи по положению между исполнительными механизмами станка, промышленного робота и устройством числового программного управления (УЧПУ), а также в системах автоматического и автоматизированного контроля, регулирования и управления в других областях техники.

ВЕ178АБ.5В-TTL, ВЕ178АБ.15В-TTL

рисунок 1

Техническая характеристика

таблица 1

По отдельному заказу возможно изготовление преобразователей с другим количеством выходных сигналов

Центроискатели индикаторные

Инструмент для координатно-расточных станков.

ТУ BY300207906.094-2007

Центроискатель индикаторный предназначен для предварительной наладки станков: центровки оси шпинделя станка с осью отверстия по внутренней поверхности или поверхностью по внешней окружности в диапазоне от 8 мм до 250 мм.

Центроискатели 6201-4002 (рисунок 1) и 6201-4003 (рисунок 2) выпускаются с различными типами хвостовиков, что дает возможность использовать их на станках с различными типами конуса шпинделя.

Возможные варианты исполнений приведены в таблице 1.

Центроискатели применяются комплектно с индикаторами, указанными в таблице 2.

Индикатор в комплекте с центроискателем не поставляется.

рис. 1, 2

Таблица 1

таблица 1

Схема настройки инструмента для контроля

При центровке внутреннего отверстия винт поз.1 устанавливается по рис. 3.

При центровке внешней поверхности винт поз.1 устанавливается по рис.4.

рис. 3, 4

Основное отличие конструкции центроискателя 6201 – 4003 в том, что при наличии у заказчика модульных систем 6300 – 4021 … - 4025 (смотри стр. 30), можно заказывать центроискатели без хвостовиков. 

Таблица 2

таблица 2

Калибр-пробки гладкие двухсторонние и односторонние со вставками диаметром от 3 до 100 мм

Калибры-пробки предназначены для контроля отверстий с допусками от 6 до 17 квалитета.

рисунок 2

таблица 3

Пробки резьбовые со вставками двухсторонние и односторонние

Пробки резьбовые предназначены для контроля метрической резьбы по ГОСТ 9150-2002 с полями допусков по ГОСТ 16093-81.

рисунок 4

таблица 5

Угольник поверочный лекальный цилиндрический 90º типа УЛЦ по ГОСТ 3749-77

рисунок 5

рисунок 6

Калибр для проверки внутренних конусов Морзе без лапки, тип 1

Калибры предназначены для комплексного контроля Конусов инструментов 4, 5, 6, 7, 8 степеней точности с допусками по ГОСТ 2848-75 и размерами по ГОСТ 25557-2006 и ГОСТ 9953-82.

рисунок 6

таблица 6

Калибр-втулка для проверки наружных конусов Морзе без лапки, тип 1

Калибры предназначены для комплексного контроля Конусов инструментов 6, 7, 8 степеней точности с допусками по ГОСТ 2848-75 и размерами по ГОСТ 25557-2006 и ГОСТ 9953-82.

рисунок 7

таблица 8

Калибр для проверки внутренних конусов Морзе с лапкой, тип 2

Калибры предназначены для комплексного контроля конусов инструментов 4, 5, 6, 7, 8 степеней точности с допусками по ГОСТ 2848-75 и размерами по ГОСТ 25557-2006 и ГОСТ 9953-82.

рисунок 8

таблица 9

Калибр-втулка для проверки наружных конусов Морзе с лапкой, тип 2

Калибры предназначены для комплексного контроля конусов инструментов 6, 7, 8 степеней точности с допусками по ГОСТ 2848-75 и размерами по ГОСТ 25557-2006 и ГОСТ 9953-82.

рисунок 9

таблица 11

Назад

Читайте также

11804
(1)
Станочная оснастка: разновидности и особенности

Не всегда размеры производственных помещений позволяют установить дополнительное производственные машины. Оснастка для станков с ЧПУ поможет выполнять те операции, которые изначально технологически не были предусмотрены производителем. В статье подробно рассмотрим классификацию приспособлений, которые расширяют возможности производственного оборудования и продлевают срок его службы.

17895
(1)
Типы преобразователей давления: их характеристики и применение

Для точных измерений параметров промышленного оборудования применяют преобразователи датчиков давления – устройства, которые отображают измеряемую величину в цифровом виде. Благодаря им оборудование на предприятии работает более стабильно и безопасно.

13671
(1)
СОЕДИНИТЕЛИ ИНКРЕМЕНТНЫХ ПРЕОБРАЗОВАТЕЛЕЙ
Соединители инкрементных преобразователей - PC10TB, DB9, РС19ТВ